阀的启闭件是闸板,闸板的运动方向与流体方向相垂直,手动刀型闸阀只能作全开和全关,不能作调节和节流。闸板有两个密封面,最常用的模式闸板阀的两个密封面形成楔形、楔形角随阀门参数而异,通常为50,楔式刀型闸阀的闸板可以做成一个整体,叫做刚性闸板

产品概述
一、PZ573H伞齿轮传动刀型闸阀概述:
1.公称压力:0.6MPa、1.0MPa、1.6MPa、2.5MPa、150Lb
2.公称通径:DN50~500mm NPS 2"~20"
3.适用温度:-38~+200℃(具体温度范围视密封副材质和介质性质而定) 4.连接法兰:ANSI B16.5、GB/T9113、JB/T79、HG、SH、JIS、DIN、NF、BS
5.主体材料:WCB、ZG1Cr18Ni9Ti、ZG1Cr18Ni12Mo2Ti、CF8、CF8M、CF3、CF3M
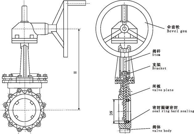
6.密封型式:硬密封、软密封
7.泄漏量:硬密封:D级(液体0.1×DN mm3/s)软密封:A级 (零泄漏)
8.配套附件:安装法兰
二、PZ573H伞齿轮传动刀型闸阀特点:
1、采用全圆形的通道设计,刀板底端加工成刀刃,光洁度高,保证了良好的密封性。
2、在刀板上端安装有聚四氟乙烯、刮泥器,可防止粉尘砂砾等擦伤性物质进入填料盒。
3、聚胶脂或含Ni耐磨铸铁制成的耐磨折边锥体安装在刀闸阀的进口端,可防止颗粒物料直接冲刷在密封上,从而可改善的工作条件,延长寿命。
4、根据需要,可在阀体四周设置多个冲洗口,直接用空气、蒸汽或水进行冲洗,防止沉淀物逐渐堆积,对于输入困难的流体特别适用。
5、伞齿轮对夹式刀型闸阀设计紧凑、占据空间小、重量轻、易于安装、耐磨防堵措施完善,便于维修,使用寿命长。广泛满足造纸、纸浆工业、工业污水和城市污水处理、化工厂、飞灰处理、散状物料输送、食品饮料工业的使用要求及工作条件苛放慢的环境条件下。
刀型闸阀的启闭件是闸板,闸板的运动方向与流体方向相垂直,手动刀型闸阀只能作全开和全关,不能作调节和节流。闸板有两个密封面,最常用的模式闸板阀的两个密封面形成楔形、楔形角随阀门参数而异,通常为50,楔式刀型闸阀的闸板可以做成一个整体,叫做刚性闸板;也可以做成能产生微量变形的闸板,以改善其工艺性,弥补密封面角度在加工过程中产生的偏差,这种闸板叫做弹性闸板 刀型闸阀关闭时,密封面可以只依靠介质压力来密封,即依靠介质压力将闸板的密封面压向另一侧的阀座来保证密封面的密封,这就是自密封.大部分刀型闸阀是采用强制密封的,即阀门关闭时,要依靠外力强行将闸板压向阀座,以保证密封面的密封性本类阀门在管道中一般应当水平安装。
一、主要外形及连接尺寸(mm)
MPa | DN | L | D1 | D2 | H | n-M | MPa | DN | L | D1 | D2 | H | n-M |
0.6 | 50 | 43 | 90 | 110 | 475 | 4-M12 | 1.0 | 50 | 43 | 100 | 125 | 475 | 4-M16 |
65 | 46 | 110 | 130 | 500 | 4-M12 | 65 | 46 | 120 | 145 | 500 | 4-M16 | ||
80 | 46 | 125 | 150 | 535 | 4-M16 | 80 | 46 | 135 | 160 | 535 | 4-M16 | ||
100 | 52 | 145 | 170 | 605 | 4-M16 | 100 | 52 | 155 | 180 | 605 | 8-M16 | ||
125 | 56 | 175 | 200 | 665 | 8-M16 | 125 | 56 | 185 | 210 | 665 | 8-M16 | ||
150 | 56 | 200 | 225 | 765 | 8-M16 | 150 | 56 | 210 | 240 | 765 | 8-M20 | ||
200 | 60 | 255 | 280 | 880 | 8-M16 | 200 | 60 | 265 | 295 | 880 | 8-M20 | ||
250 | 68 | 310 | 335 | 1020 | 12-M16 | 250 | 68 | 320 | 350 | 1020 | 12-M20 | ||
300 | 78 | 362 | 395 | 1220 | 12-M20 | 300 | 78 | 368 | 400 | 1220 | 12-M20 | ||
350 | 78 | 412 | 445 | 1375 | 12-M20 | 350 | 78 | 428 | 460 | 1375 | 16-M20 | ||
400 | 102 | 462 | 495 | 1560 | 16-M20 | 400 | 102 | 482 | 515 | 1560 | 16-M22 | ||
450 | 114 | 518 | 550 | 1720 | 16-M20 | 450 | 114 | 532 | 565 | 1720 | 20-M22 | ||
500 | 127 | 568 | 600 | 1870 | 16-M20 | 500 | 127 | 585 | 620 | 1870 | 20-M22 | ||
600 | 154 | 670 | 705 | 2220 | 20-M22 | 600 | 154 | 685 | 725 | 2220 | 20-M27 | ||
700 | 165 | 775 | 810 | 2570 | 24-M22 | 700 | 165 | 800 | 840 | 2570 | 24-M27 | ||
800 | 190 | 880 | 920 | 3030 | 24-M27 | 800 | 190 | 898 | 950 | 3030 | 24-M30 | ||
900 | 203 | 980 | 1020 | 3430 | 24-M27 | 900 | 203 | 1005 | 1050 | 3430 | 28-M30 | ||
1000 | 216 | 1080 | 1120 | 3470 | 28-M27 | 1000 | 216 | 1110 | 1160 | 3470 | 28-M30 | ||
1200 | 254 | 1295 | 1340 | 4230 | 32-M30 | 1200 | 254 | 1325 | 1380 | 4230 | 32-M36 |
联系我们
打开微信扫一扫